HOME SKIRT NUT PRODUCTS 性能・商品比較 TOPICS ABOUT US MAIL TO 技術資料 Q&A 施工要領書作成用資料

A1 応用集中分布写真 A1.jpg (210KB)
B2 振動試験機写真 B1.jpg (203KB) 
C1 各社ゆるみ止めナット比較データJQAデータモノクロ C1.jpg (177KB)
C2 SKナット Wナット SW振動試験機試験比較表  C2.jpg (154KB)
C3 SKナット 六角ナット ねじ強度確認結果  C3.pdf (100KB) 
D1 ゆるみ止め対策比較表 D1.jpg (146KB)
E1 総合カタログ1P→4P E1.pdf (408KB) 
F1 ゆるみ止め「スカートナット」実績写真一覧(1Pまとめ) F1.jpg (183KB)
G1 スカートナットW企画寸法表3分・4分 G1.jpg (105KB)
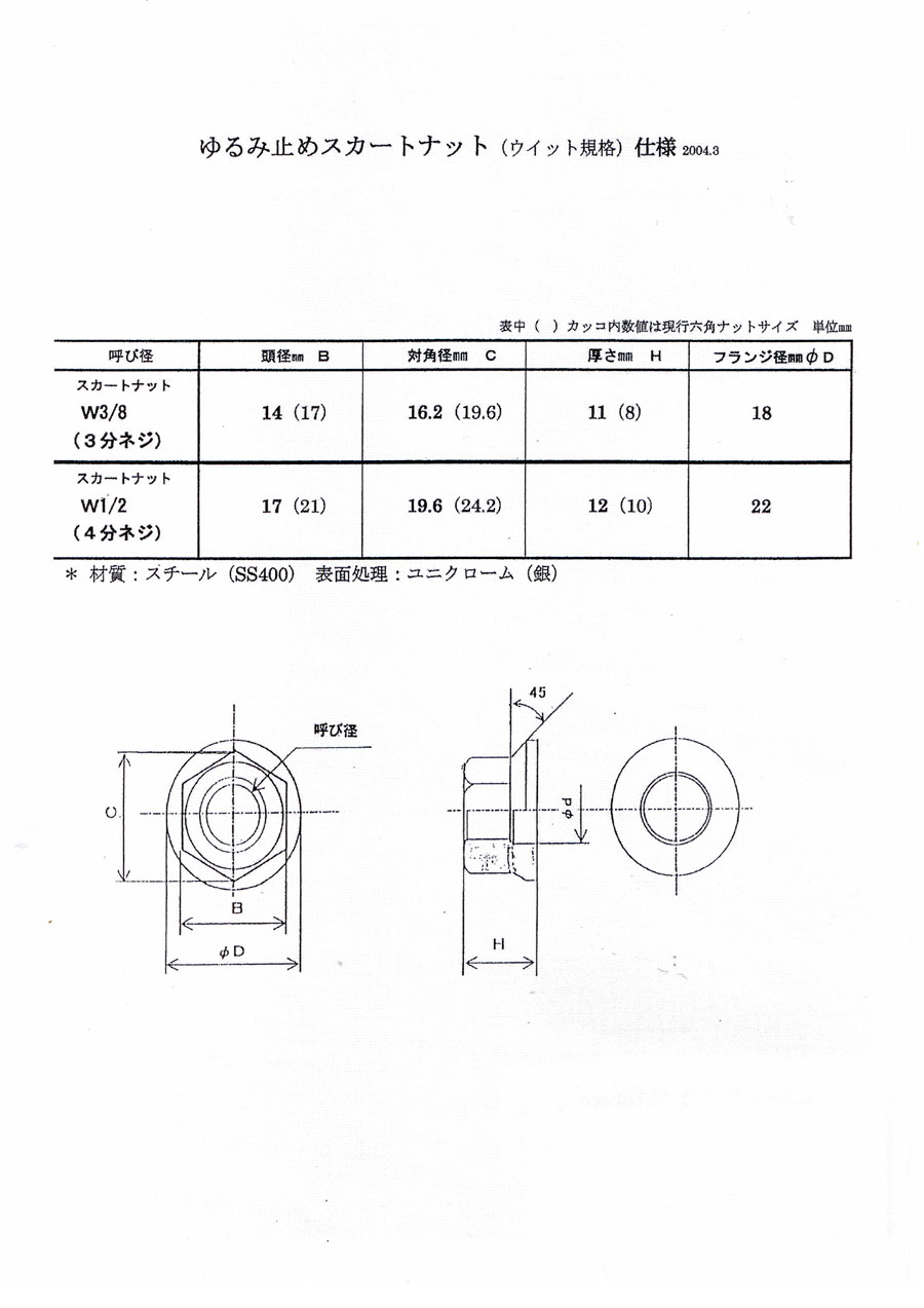
G2 SKナットウィット企画仕様書 G2.jpg (103KB)
H1 スカートナット実績写真集表紙 H1.jpg (44KB)
I1 スカートナットQ&A I1.pdf (5545KB)
J1 東京電力水力発電所発電機軸受け冷却配管繋継ぎ手部分 J1.jpg (119KB)
K1 東京電力千葉房総変電所内 K1.jpg (270KB)
K2 東京電力千葉房総変電所遮断機設置アンカー設置部分 K2.jpg (169KB)
L1 東海道新幹線品川駅ホームドア設置1 L1.jpg (154KB)
L2 東海道新幹線品川駅ホームドア設置2 L2.jpg (153KB)
L3 JR東日本701系セラジェットタンク取り付け部分 L3.jpg (195KB)
M1 東京都下水道局現場 M1.jpg (153KB)
M2 小水力発電機1 M2.jpg (111KB)
M3 小水力発電機2 M3.jpg (112KB)
N1 送水管設置固定部 N1.jpg (94KB)




このページのトップにもどる